
雙激式變壓器與單激式變壓器的區(qū)別主要是兩者輸入電壓的參數不一樣。單激式變壓器輸入的電壓是單極性直流脈沖,而雙激式變壓器輸入的電壓是雙極性交流脈沖。
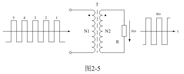
為了簡單起見,我們把雙激式變壓器開關電源等效成如圖2-5所示電路。圖2-5與圖2-1所示電路的不同之處在于,圖2-1輸入電壓是直流脈沖方波,而圖2-5輸入電壓是交流脈沖電壓方波。因此,圖2-5所示電路與一般的變壓器電路在工作原理上沒有根本的區(qū)別。
在圖2-5中,當一系列序號為1、2、3、…的交流脈沖電壓方波分別加到變壓器初級線圈a、b兩端時,在開關變壓器的初級線圈中就會分別有兩個正、反方向的勵磁電流流過,同時,在開關變壓器的鐵芯中就會分別產生正、反兩個方向的磁場,在磁場強度為H的磁化作用下又會產生與磁場強度H對應的磁通密度B或磁通


圖2-6是雙激式開關變壓器鐵芯磁通密度B與磁場強度H之間的關系圖,或稱變壓器鐵芯磁化曲線圖或磁滯回線圖。之所以把圖2-6磁滯回線圖,是因為磁通密度B比磁場強度H滯后一個相位或者一段時間。
如果開關變壓器的鐵芯在這之前從來沒有被任何磁場磁化過,并且開關變壓器的伏秒容量足夠大,那么,當第一個交流脈沖的正半周電壓加到變壓器初級線圈a、b兩端時,在變壓器初級線圈中將有勵磁電流流過,并在變壓器鐵芯中產生磁場;在磁場強度H的作用下,變壓器鐵芯中的磁通密度B將會按圖2-6中o-a磁化曲線上升;當脈沖電壓的正半周將要結束時,磁場強度到達最大值Hm,同時對應的磁通密度也被磁化到最大值Bm。磁通密度在增加,表示流過變壓器初級線圈中的勵磁電流產生的磁場正在對變壓器鐵芯進行充磁。
第一個交流脈沖的正半周電壓結束后,雖然輸入電壓由正的最大值突然降到0 ,但流過變壓器初級線圈中的勵磁電流不能馬上下降到零,因此,磁場強度H也不會馬上下降到零;此時,變壓器的初、次級線圈會同時產生反電動勢,由于反電動勢的作用,在變壓器的初、次級線圈回路中會有電流流過,這種回路電流屬于感應電流,或稱感生電流,感應電流會在變壓器鐵芯中產生反向磁場,使變壓器鐵芯退磁,磁場強度H開始由最大值Hm逐步退到0 。
但變壓器鐵芯中的磁通密度B卻不會跟隨磁場強度下降到零,由于變壓器鐵芯具有磁矯頑力,變壓器鐵芯鐵芯的磁化過程是不可逆的,因此磁通密度被退磁時并不是按充磁時的o-a磁化曲線原路返回,而是按另一條新的磁化曲線a-b返回到b點,即:剩余磁通密度Br處;因此,磁通密度位于b點的值,人們都習慣地把它稱為剩余磁通密度,或簡稱“剩磁”,用Br表示。[page]
當輸入交流脈沖電壓由正半周轉換成負半周的時候,勵磁電流的方向也要改變,使變壓器鐵芯繼續(xù)進行退磁,磁通密度由b點沿著b-c磁化曲線繼續(xù)退磁到c點,此時,磁通密度雖然為零,但對應的磁場強度并不為零,而是一個負值;當勵磁電流按相反的方向繼續(xù)增加時,磁通密度也相應地按相反的方向沿著c-d磁化曲線繼續(xù)增加,此時,變壓器鐵芯由退磁轉變?yōu)楸环聪虺浯?;當磁通密度沿著磁化曲線c-d增加到達d點時,對應的磁場強度達到負的最大值-Hm,磁通密度也同時達到負的最大值-Bm 。
第一個交流脈沖的負半周電壓結束后,輸入電壓將由負的最大值突然降到0 ,但流過變壓器初級線圈中的勵磁電流不能馬上下降到零,因此,磁場強度H也不會馬上下降到零;同理,變壓器的初、次級線圈會同時產生反電動勢,感應電流會在變壓器鐵芯中產生反向磁場,使變壓器鐵芯退磁,磁場強度H由負的最大值-Hm逐步退到0;由于變壓器鐵芯具有磁矯頑力,因此,磁通密度的下降并不是按充磁時的磁化曲線c-d原路返回到c,而是按另一條新的磁化曲線d-e返回到e點,即:負的剩余磁通密度-Br。
第一個交流脈沖結束后,第二個交流脈沖對變壓器鐵芯的磁化并沒有重復第一個交流脈沖的磁化過程。當第二個交流脈沖的正半周電壓到來時,磁通密度卻是從磁化曲線的e點-Br位置開始的,其對應的磁場強度為0,然后磁通密度沿著磁化曲線e-f上升,經過0后再沿著磁化曲線f-a升到最大值Bm,對應的磁場強度為最大值Hm。

其余類推,每輸入一個正、負脈沖,磁通密度都會沿著磁化曲線e-f-a上升到最大值Bm,然后又沿著磁化曲線a-b-c-d下降到負的最大值-Bm 。
下面我們繼續(xù)對變壓器鐵芯的初始磁化曲線過程進行詳細分析。

圖2-3是多個直流脈沖電壓連續(xù)加到變壓器初級線圈a、b兩端時,輸入脈沖電壓與變壓器鐵芯中磁通密度B或磁通


從圖2-3-a)和圖2-3-b)可以看出,每輸入一個直流脈沖電壓,變壓器鐵芯中的磁通密度B或磁通


這是因為,剛開始工作的時候,磁場強度對變壓器鐵芯進行磁化時還沒有使磁通密度或磁矯頑力達到接近飽和的程度;要經過若干個過程以后,磁通密度B或磁通

從圖2-3-c)中還可以看出,在直流脈沖電壓剛輸入的時候,磁場強度變化的幅度開始是比較小的,隨著直流脈沖輸入的個數不斷增加,其變化的幅度也在不斷增加,但磁通密度增量ΔB卻基本沒有改變;直到磁通密度達到最大值Bm之后,磁場強度變化的幅度才基本趨于穩(wěn)定;這說明勵磁電流的變化幅度開始的時候也是比較小的,隨后勵磁電流變化的幅度也會隨著磁場強度變化的幅度增加而增加。
當變壓器鐵芯初次被直流脈沖電壓產生的磁場磁化的時候,磁場強度和勵磁電流的變化幅度都要經過一個過渡過程,然后才基本趨于穩(wěn)定,并且磁場強度和勵磁電流變化的幅度是由小到大;這個原因,主要是因為變壓器鐵芯開始的時候導磁率比較大,而后,導磁率逐步變小的緣故。圖2-4是變壓器鐵芯導磁率和磁通密度對應磁場強度變化的曲線圖。

在圖2-4中,曲線B為磁通密度對應磁場強度變化的關系曲線,曲線 為導磁率對應磁場強度變化的關系曲線。由于我們這里把磁場強度作為自變量,而磁通密度和鐵芯導磁率都作為因變量,因此,我們同樣可以把曲線B和曲線 統(tǒng)稱為變壓器鐵芯的磁化曲線。
[page]
由于圖2-4所示的磁化曲線,只有在開關變壓器鐵芯從來沒有被任何磁場磁化過,僅當在第一次被磁場極化時才會出現;當開關變壓器工作正常之后,這種初始狀態(tài)就會被破壞和不復存在;因此,我們把圖2-4所示的磁化曲線稱為初始磁化曲線。雖然我們在實際應用中,很少碰到如圖2-4所示的磁通密度對應磁場強度變化的初始磁化曲線,但在實際應用中,人們還是習慣于用它來對變壓器鐵芯進行磁化過程分析或對變壓器的參數進行計算,因此,初始磁化曲線也有人把它稱為基本磁化曲線。
從圖2-4中可以看出,變壓器鐵芯導磁率最大的地方,既不是磁化曲線的起始端,也不是磁化曲線的末端,而是在磁化曲線中間偏左的位置。當磁場強度H繼續(xù)增大時,磁通密度B將會出現飽和;此時,不但磁通密度增量ΔB會下降到0,導磁率 的值也會下降到接近0。在設計單激式開關變壓器的時候,都有意在變壓器鐵芯中預留出一定的氣隙。
由于空氣的導磁率與鐵芯的導磁率相差成千上萬倍,因此,只要在磁回路中留百分之一或幾百分之一的氣隙長度,其磁阻或者磁動勢將會大部分降在氣隙上,因此磁心也就很難飽和。例如,當氣隙長度達到總磁路長度的百分之一時,變壓器鐵芯的Br與Bm之比,將小于百分之十;同時變壓器鐵芯的最大導磁率 也會從5000以上下降到只有幾十至幾百之間。
但變壓器鐵芯導磁率出現0的情況在一些控制電路中也有特殊應用,例如,磁放大器或磁調制器就是利用導磁材料的導磁率受磁場強度影響的原理來工作的。目前大量使用的50周大功率穩(wěn)壓電源基本上都是使用磁放大器來對輸出電壓進行穩(wěn)定控制。
但對于交流脈沖,磁通密度由0經過磁化曲線o-a上升到最大值Bm之外,后面任何一個電壓脈沖加于變壓器初級線圈a、b兩端,變壓器鐵芯被磁化,磁通密度都不會再經過磁化曲線o-a。因此,圖2-6中磁化曲線o-a與圖2-4所示的磁化曲線B一樣,也叫初始磁化曲線或基本磁化曲線。
從圖2-6還可以看出,雖然磁通密度被磁場強度磁化的時候可以同時到達正、負最大值,但在磁場強度經過零的時候,磁通密度與磁場強度總是出現一個相位差。
圖2-7是多個交流脈沖電壓連續(xù)加到變壓器初級線圈a、b兩端時,輸入脈沖電壓與變壓器鐵芯中磁通密度B或磁通

圖2-7-a為輸入電壓各個交流脈沖之間的相位圖,圖2-7-b為變壓器鐵芯中磁通密度B或磁通



從圖2-7-a)和圖2-7-b)可以看出,每輸入一個交流脈沖電壓,變壓器鐵芯中的磁通密度B或磁通 就要線性增長和下降一次,磁通密度變化的范圍是從負的最大值-Bm到正的最大值Bm,并且增長和下降的速率基本一樣。從圖2-7-c)可以看出,每輸入一個交流脈沖電壓,變壓器鐵芯中的磁場強度H也要增長和下降一次,但增長和下降的速率卻不一樣;增長的速度慢,而下降的速度快,這是因為變壓器初、次線圈產生的反電動勢與輸入電壓同時對變壓器鐵芯進行退磁的原因。
從圖2-7與圖2-3進行對比可以看出,雙激式開關電源變壓器鐵芯的磁化過程,不會出現單激式開關電源變壓器鐵芯需要經過多個輸入脈沖后,磁通密度B或磁通 增長的幅度與下降的幅度才能達到穩(wěn)定的情況。相對來說,雙激式開關電源變壓器鐵芯的磁化過程達到穩(wěn)定需要的時間非常短;從輸入第一個脈沖開始,磁通密度B或磁通

